关于美盛
公司简介
企业文化
服务项目
资质荣誉
新闻资讯
公司新闻
行业动态
客服中心
售后服务
资料下载
在线咨询
信息反馈
首 页
联系我们
案例展示
产品展示
意大利利雅路燃烧器
芬兰奥林燃烧器
德国威索燃烧器
意大利百得燃烧器
英国力威燃烧器
意大利意高燃烧器
原装进口锅炉及国产锅炉
台湾良机冷却塔
节能改造
燃烧器、锅炉配件销售
在线咨询
设为主页
首 页
关于美盛
新闻资讯
产品展示
案例展示
客服中心
联系我们
产品展示
意大利利雅路燃烧器
芬兰奥林燃烧器
德国威索燃烧器
意大利百得燃烧器
英国力威燃烧器
意大利意高燃烧器
原装进口锅炉及国产锅炉
台湾良机冷却塔
节能改造
燃烧器、锅炉配件销售
产品搜索
单段火燃气燃烧器
首页
>
产品展示
品牌:RIELLO(利雅路)
产地:意大利
⊙ 产品详细说明
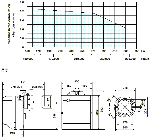
系列
型号
发热量(KW)
控制方式
燃气
电源
电机功率(W)
最小
最大
GULLIVER
RS5
160
330
一段火
液化气/天然气
1ph * 220V * 50Hz
430
工作范围
版权所有:长沙美盛机电设备有限公司 电话:0731-82280278 传真:0731-82280278 网址:
www.csmsjd.com
地址:长沙书院南路425号乾城大厦1栋A座1010室